首 页
业界
要闻
快讯
热点
推荐
聚焦
头条
动态
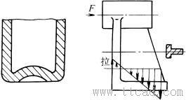
铸造件结构设计:优先受压
更新时间:2020-09-28 19:21:45
浏览次数:
铸造件结构设计:优先受压
图 例 说 明
不合理
合理 改为内凸结构,减少拉应力;改进后加强肋受压应力
不合理 合理 改进后加强肋受压应力
推荐图文
三星Galaxy A52 4G和5G的新泄
三星Galaxy A52 4G的泄漏已经存在了一段时间。一个新...
>>
马斯克表示,将特斯拉私有化是
亿万富翁埃隆马斯克(Elon Musk)表示,即使特斯拉(Tesl...
>>
小米今天将在印度推出两种音频
小米今天在 Mi Sound Unveil活动中在印度推出了两种音...
>>
Google对Play音乐的最终更新可
谷歌去年八月宣布,谷歌播放音乐将关闭。关机过程始于...
>>
最新文章
中东地缘政治危机急剧恶化!比特币跌破6.
川普宣布以色列与伊朗达成停火协议!比特
泰国、柬埔寨全面停火生效!川普邀功是和
俄罗斯与乌克兰要停火?普京和川普通话2
比特币白送我都不要,到全民区块链!一场
特朗普:伊朗最高领袖哈梅内伊已[*]!比
伊朗国会决议关闭霍尔木兹海峡!比特币跌
以色列伊朗停火!黄金、石油纷纷下跌 但
报复性买盘!美国比特币现货ETF吸金近7亿
最多关注
黄金行情走势展望:随着美元下滑和波动性
狂飙13天:开源DeepSeek如何撼动全球AI市
特斯拉全球裁员?不!在中国逆势大招聘!
众泰汽车:公司将根据生产经营计划合理规
FF大股东将独董BrianKrolicki逐出董事会
Galaxy Digital设立加密挖矿业务部门
中电港:拟通过北京产权交易所公开挂牌方
英飞凌:2024财年营收同比下降8%
里海石油管道关闭加剧供应担忧,美油飙升
鄂ICP备2024040700号-2
砺行体育文化传媒-版权所有
数据源自网络仅供参考